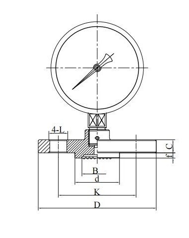
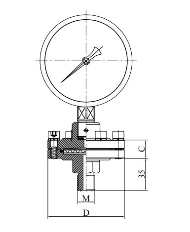
◆ Malli: YTZ100, YTZ-150
◆ Sovellus: Tämän tyyppinen instrumentti soveltuu nesteiden, kaasujen tai höyryjen paineen mittaamiseen ilman räjähdysvaaraa, kiteyttämistä, jähmettymistä eikä syövyttäviä vaikutuksia kuparin ja kupariseoksiin.
Ruostumattomasta teräksestä valmistettua sitä voidaan käyttää nesteiden, kaasujen tai höyryjen paineen mittaamiseen, jotka ovat heikosti syövyttäviä, mutta eivät räjähtäviä, kiteytyneitä tai jähmettyä.
◆ Jos on tarpeen tehdä iskunkestävä tyyppinen painemittari, se voidaan täyttää glyseriinillä tai silikoniöljyllä.


















