◆ Tekniset parametrit:
| Malli | CYB100 | CYB150 |
| Nimellishalkaisija | Φ 100 | Φ 150 |
| Asennustyyppi | Säteittäinen kupera Rinnakkaiset rajapinnat | * | * |
| Säteittäinen kupera Kahdeksan merkinnän rajapinta | / | * |
| Eksentrinen eksentrinen huuhtelutyyppi | / | * |
| Mittausalue | Paine Mittausalue KPA | Nimellinen Työpaine KPA | Paine Mittausalue MPA | Nimellinen Työpaine MPA |
| 0 ~ 10 | 60 | 0 ~ 0.16 | 1 |
| 0 ~ 16 | 100 | 0 ~ 0.25 | 1.6 |
| 0 ~ 25 | 160 | 0 ~ 0.4 | 2.5 |
| 0 ~ 40 | 250 | 0 ~ 0.6 | 4 |
| 0 ~ 60 | 400 | 0 ~ 1 | 6 |
| 0 ~ 100 | 600 | 0 ~ 1.6 | 10 |
| | | 0 ~ 2.5 | 10 |
| Tarkkuusluokka | 2.5 |
| Asennuslankot | M20 × 1.5 |
| Käytä ympäristön lämpötilaa | -40 ℃~ 70 ℃ |
| Käytettävän väliaineen lämpötila | ≤ 60 ℃ |
| Värähtelynkestävyysluokitus | V · H · 3 |
| Koteloiden luokitus | IP54 |
| paino | Suunnilleen 1,0 kg |
| Impulssijärjestelmän materiaali | 0CR17NI12MO2 、 SUS316 |
| kotelo ja muut materiaalit | 1CR18NI9 、 SUS304 |
| Valvoa standardia | JB/T 12015-2014 |
| Huomaa: 1 . Yhteinen säie voidaan mukauttaa käyttäjän vaatimusten mukaisesti. |
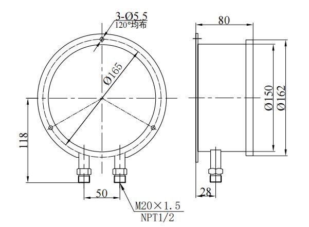
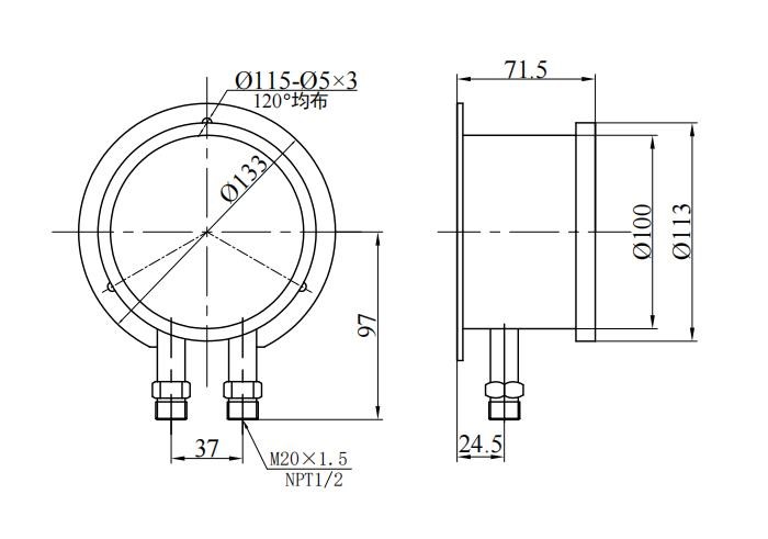
◆ Ulkonäkö ja asennuskoko:
| CYB100 Rinnakkaisrajapinta | CYB150 Rinnakkaisrajapinta |
| CYB150 Bazi -käyttöliittymä | CYB150 aksiaalinen epäkeskeisyys |
◆ Rakenneperiaate:
Lensaite omaksuu kaksinkertaisen Bourdon -putkirakenteen- ts. Kaksi Bourdon -putkea on asennettu symmetrisiin asentoihin "I" -kiinnikkeen molemmille puolille. "I" -kiinnikkeen ylä- ja alaosat ovat siirrettävä pää ja kiinteä pää, ja keskimmäinen on kytketty jousikappaleen avulla: kaksi bourdon -putkea ovat rinnakkaistilassa ja ne on kytketty kotelon korkean ja matalan jännitteen liitoksen kanssa, jossa on vastaavasti putkisto: vaihdevaihteisto on asennettu suoraan kiinnitetyn päätyun, ja se on kytketty siirron siirtymävaaraan: Vaihteesivaihtomekanismi.
◆ Toimitusperiaate: Paineen havaitsemisen perusteella käytetään kahta bourdon -putkea, joilla on sama jäykkyys sijainti.
Kun erilaisia paineita kohdistetaan (yleensä korkeapainepää on korkeampi kuin matalapainepää) , liikkuvan tuen kahden Bourdon-putken voima ei ole yhtä suuri, joten vastaava siirtymä syntyy vastaavasti ja vaihdevaihteistojen mekanismi ajetaan ja monistetaan, ja kahden välinen paine-arvo osoitetaan osoitteen jälkeen, kun POINT on deplisoitu.
◆ Varotoimenpiteet:
Kello 1. Laite on asennettava pystysuoraan asentoon, joka on samalla tasolla kuin mittauspiste, muuten nestetasoeron aiheuttama lisävirhe on otettava huomioon.
2 . Instrumenttiliitin merkitty " H "tai" "on korkeajännitepää ja merkitty" " L "tai" - "on matalajännitepää, jota ei voida kääntää asennuksen aikana.
3 . Kun instrumentti mittaa differentiaalipainetta, paine -eroarvoa voidaan käyttää sisällä 75% asteikkoalueen ylärajasta ja järjestelmän suurin staattinen painearvo ei saisi ylittää instrumentin määrittelemää suurinta staattista painearvoa.
4. Kuten kuvassa on esitetty 4 , tasapaino (turvallisuus) venttiili (venttiili 1 ; 2 ja Venttiili 3 ovat kaikki avautuneita.
5 . Ennen käyttöä instrumentin tulee tarkistaa huolellisesti mitatun väliaineen aiheuttama eroosioaste, jotta bourdon -putkelle ei aiheuta varhaisia korroosiovaurioita.
◆ Tilausohjeet:
Laitteen tilaamisessa käyttäjän on ilmoitettava:
1. Malli ja nimi, differentiaalinen painealue, suurin staattinen paine, mittausyksikkö, tarkkuustaso;
2. Asennus- ja Bourdon -putkimateriaali;
3. Yhteinen lankakoko: tavanomainen M20 × 1.5 , NPT1/2 (tai asiakkaan nimitys);
4. Huomaa: Kolme venttiiliryhmää voidaan räätälöidä käyttäjien puolesta (venttiilit 1 ~ ~ 3 kuviossa 4 )