◆ Malli: Yzs102
◆ Malli: Yzs102
◆ Tekniset parametrit:
| Malli | Yzs102 |
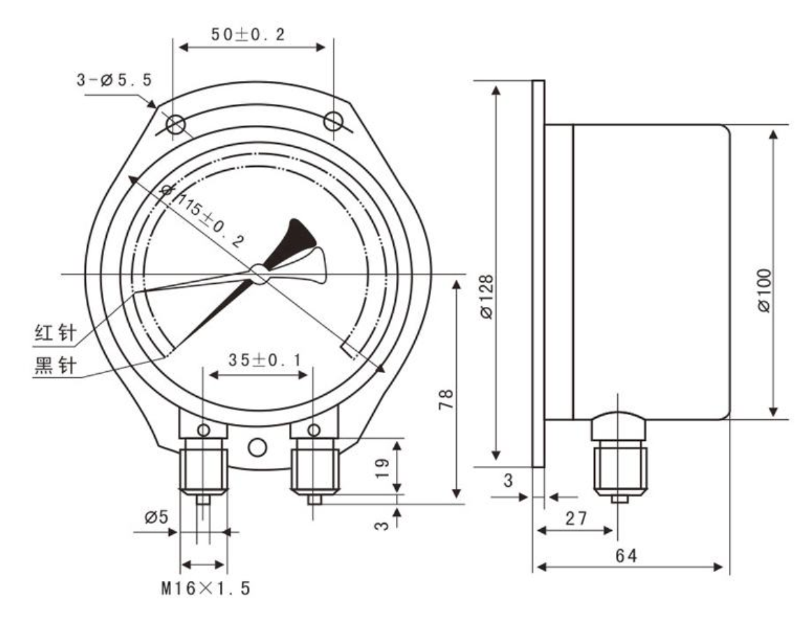
| Nimellishalkaisija | Φ 100 |
| Asennuslankot | M20 × 1.5 ; G3/8 |
| Tarkkuusluokka | 1.6 |
| Mittausalue ( KPA ) | 0 ~ 1000 0 ~ 1200 0 ~ 1600 0 ~ 2500 |
| Ympäristöolosuhteet | Lämpötila: -5 ° C ~ 60 ° C Suhteellinen kosteus: enintään 80%. |
| Lämpötilavaikutukset | (poikkeaminen jstk 20 ° C ± 5 ° C Käytettäessä) ei ole suurempi kuin 0,4%/10 ° C |
| paino | 0,7 kg |
| Värähtelynkestävyysluokitus | V · H · 3 |
| Pääsynsuojaus | IP54 |
| Valvoa standardia | GB/T1226 |
| Huomaa: 1 . Yhteinen säie voidaan mukauttaa käyttäjän vaatimusten mukaisesti. | |
◆ Ulkoiset mitat:
Wuxi Huihua Special Instrumentation Co., Ltd. was established in December 2001, the registered capital is 5 million yuan, the existing staff of more than 50 small and medium-sized joint-stock enterprises.
Yhtiö on erikoistunut erityyppisten erityisvälineiden tuotantoon, vaihtoehtona tuontivälineiden lokalisoinnille. Seismiselle painemittarille, seismiselle sähköiselle kosketuspainemittarille, ruostumattomasta teräksestä valmistetulle painemittarille, kalvojen korroosioiden kestävälle painemittarille, meren painemittarille ja muille sarjoille päätuotteina. Kenttäinstrumenttien perusteella olemme kehittäneet erilaisia paineenlähettäjiä, paineenohjaimia, digitaalisia painemittareita ja niin edelleen. Sarja- ja 3000 eritelmiä on yli 30. Tarjontatuotteita käytetään laajalti öljy-, kemikaalien, paperin, metallurgian, kaivostoiminnan, kemiallisten kuitujen, sähkövoiman, ruoan, ympäristönsuojelun, kumin ja muovin, hydrauliikan ja monien muiden teollisuudenalojen sekä yli 2000 kotimaisen asiakkaan luomaan ystävälliset suhteet kansallisten suurten ja keskisuurten yritysten luomaan hyvän kumppanuuden, voittaen suurimman osan käyttäjistä kiitosta ja perustamaan yritysbrändin.
Kun YZS-sarjan kaksinkertainen kaksoisputken painemittarit Manufacturers, tiukat laadunvalvontaprosessit ovat käytössä koko valmistusjärjestelmässä, jotta voidaan varmistaa, että jatkuvaa laatua tuotetaan.
Painemittarit ovat tärkeimpiä laitteita kaikissa teollisuus-, mekaanisissa tai prosessiympäristöissä. Ne tarjoavat reaaliaikaisen nesteen tai kaasun paineen mittauksen, jonka avulla käyttäjät voivat seurata järjestelm......
Lukea lisääPainemittarin perusteiden ymmärtäminen Painemittarit ovat keskeisiä laitteita, joita käytetään lukemattomilla teollisuudenaloilla mittaamaan ja näyttämään kaasujen tai nesteiden painetta järjestelmässä. Nämä ......
Lukea lisääPaine-erolähettimet ovat keskeisiä välineitä nykyaikaisissa teollisissa prosessien ohjaus-, mittaus- ja valvontajärjestelmissä. Nämä laitteet mittaavat paine-eron järjestelmän kahden pisteen välillä ja muuntavat tämän......
Lukea lisää