◆ Malli: Y¨-ml y¨-mf y¨-mg y¨-mz y¨-mk y¨-mn y¨-ms
◆ Sovellus: Epäsuoran mittausrakenteen vuoksi kalvopainemittari soveltuu nesteiden, kaasujen tai rakeisten virtaavien kiinteiden aineiden paineen mittaamiseen, jolla on korkea viskositeetti, helppo kiteyttää, voimakas korroosio ja korkea lämpötila. Eristämiskalvossa on erilaisia materiaaleja sopeutuakseen moniin erilaisiin syövyttäviin väliaineisiin.
Näitä instrumentteja käytetään pääasiassa kemiallisissa kuiduissa, synteettisissä kuiduissa, öljy-, värjäyksessä, alkali-, hapossa, elintarvikkeissa, lääketieteessä, rakenteessa, kaivostoiminnassa, sulatus- ja muissa toimialoissa.
Tämän tyyppisen instrumentin mittaripäätä voidaan käyttää monissa sarjoissa: yleinen painemittari, iskunkestävä painemittari, monenlaisia sähkökoskettimen painemittaria, erilaisia iskunkestäviä sähköisen kosketuspainemittari, paine-lähetin, etäpainemittari, digitaalinen painemittari, paineenohjain ja niin edelleen.
◆ Rakenneperiaate:
Tämä instrumentti on epäsuora mittaus. Eristämiskalvon muodonmuutos mitatun väliaineen paineessa, tiivisteen neste paineistetaan ja paine siirretään paineeseen.
Tiivistysneste paineistetaan ja paine suoritetaan havaitsemislaitteeseen, joka näyttää mitatun keskipaikan arvon.
◆ Tekniset parametrit :
| Meter Head -malli | Erityyppiset painevälineet, paineenlähettimet, paineenohjaimet jne. | |||
| Tarkkuusluokka | 1.6 ; 2.5 | |||
| Tarkkuusluokka ( MPA ) | 0 ~ 0,1 0 ~ 0,16 0 ~ 0,25 0 ~ 0,4 0 ~ 0.6 0 ~ 1 0 ~ 1,6 0 ~ 2,5 0 ~ 4 0 ~ 6 0 ~ 10 0 ~ 16 0 ~ 25 0 ~ 40 | |||
| Kalvomateriaali | lempinimi | Materiaali | lempinimi | Materiaali |
| 1 | 0CR18NI12MO2 | 5 | Hastelloy C (H276C) | |
| 2 | SUS304 | 6 | Moneliseos (Cu30NI70) | |
| 3 | SUS316 | 7 | Tantalum (TA) | |
| 4 | SUS316L | 8 | Fluoroplastinen (PTFE) | |
| Eristimateriaali | 1CR18NI9; 304; 316; 316L; F4; PVC, jne. | |||
| Tiivistysaine | Nbr; Lääketieteellinen silikonikumi; Ptfe; Grafiitti; Fluoroelastomeri; jne. | |||
| Täydennysjohto | Metyyli -silikoniöljy, kasviöljy, glyseriini, fluorattu öljy jne. | |||
| lämpötilavaikutus | Koska johtavan nesteen lämmön laajeneminen ja kalvon jäykkyys liittyvät lämpötilaan, virhearvo on 0,1%/° C, kun käyttölämpötila poikkeaa 20 ± 5 ° C: sta. | |||
| korroosiosuojaus | Tämä suorituskyky sisältää ympäristön ja mittausväliaineen korroosioominaisuudet, ja eristys-, kalvolevy- ja tiivistimen materiaali voidaan valita käyttöolosuhteiden mukaan. | |||
| tasoero | Letkun kytketty kalvopainemittari asennuksessa, jos mittauspiste ja painemittari on eri korkeuksilla, sen nestemäisen tason ero △ P vaikuttaa instrumentin mitattuun arvoon, kaava on: △ P = tiivisteen nesteen × nestetasoeron ominaispaino. | |||
| Toteutusstandardit | JB/T 8624 | |||
| HUOMAUTUS: 1, liittimen säie voidaan mukauttaa käyttäjän vaatimusten mukaisesti; 2 、 Laipan yhdistäminen voidaan mukauttaa käyttäjän vaatimusten laippa -standardin mukaisesti. | ||||
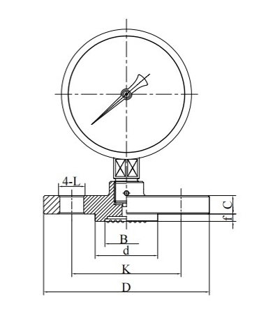
◆ Eristintyypin koko ja asennuskaavio:
| (Ml) kierteitetty rajapinta | (MF) Avoin kasvolaippa |
























