◆ Malli: YG60 YG100 YG150
◆ Käyttö: Kaikki tämän mittarisarjan osat on valmistettu ruostumattomasta teräksestä, ja pääosat on valmistettu 1CR18NI9, OCR18NI12MO2TI, SUS316, SUS316L jne. Kunkin osan hitsaus on erityinen prosessi. Niiden joukossa korroosiokeskeisellä korkean lämpötilan painemittarilla on erinomainen korkean lämpötilan ja korroosioiden kestävä suorituskyky, joka sopii syövyttäviin ympäristöihin, voi havaita heikkoa syövyttäviä, mutta ei kiteyttämistä, konsolidointia, matalaa viskositeetin korkean lämpötilan väliainetta. Laajasti käytetty öljy-, kemikaalien, torjunta -aineiden, kumin, maakaasun ja muiden toimialojen kanssa.
◆ Tekniset parametrit :
| Mallinumero | YG60 | YG100 | YG150 | ||
| Nimellishalkaisija | Φ 60 | Φ 100 | Φ 150 | ||
| Asennustyyppi | Ⅰ | * | * | * | |
| Ⅱ | * | * | * | ||
| Ⅲ | * | / | / | ||
| Ⅳ | * | * | * | ||
| Ⅴ | * | / | / | ||
| Ⅵ | * | * | * | ||
| Liittimen lanka | M14 × 1.5 | M20 × 1.5 | |||
| Tarkkuusluokka | 2.5 | 1.6 | |||
| Mittausalue ( MPA ) | Vapaa : -0.1 ~ 0 Paine tyhjiö : -0.1 ~ 0,06 -0,1 ~ 0,15 -0,1 ~ 0,3 -0,1 ~ 0.5 -0.1 ~ 0,9 -0,1 ~ 1,5 -0,1 ~ 2.4 Paine: 0 ~ 0,1 0 ~ 0,16 0 ~ 0,25 0 ~ 0,4 0 ~ 0.6 0 ~ 1 0 ~ 1,6 0 ~ 2,5 0 ~ 4 0 ~ 6 0 ~ 10 0 ~ 16 0 ~ 25 0 ~ 40 0 ~ 60 0 ~ 100 、 0 ~ 160 、 0 ~ 250 | ||||
| Ympäristöolosuhteet | Lämpötila : -40 ℃~ 70 ℃ | ||||
| Lämpötila | Suora asennus : ≤ 150 ℃ | ||||
| Lämpötila: ≤ 500 ℃ | |||||
| Lämpötilavaikutusvirhe | Δ = ± (Δ K -k - -k - Δ t ) Δ—— Näytön arvovirheen sallittu arvo, kun ympäristön lämpötila poikkeaa 20 ℃ ± 5 ℃: stä, ja näytön arvovirheen sallittu arvo, kun ympäristön lämpötila poikkeaa 20 ℃ ± 5 ℃. Prosentti Δ—— instrumentin luontaisen virheen absoluuttinen arvo. Prosentti K — - lämpötilavaikutuskerroin, jonka arvo on 0,04%/° C Δ t —— «väliaineen lämpötila Bourdon -putkessa ℃ -25∣ | ||||
| Värähtelyluokitus | V · H · 3 | ||||
| Borden -putkimateriaali | OCR18NI12MO2TI ; SUS316 ; SUS316L | ||||
| Kotelo, liitin | 1CR18NI9TI ; SUS304 | ||||
| Suojeluluokka | IP65 | ||||
| Toteutusstandardit | GB/T 1226 | ||||
| HUOMAUTUS: 1. yhteiset ketjut voidaan mukauttaa käyttäjän vaatimusten mukaisesti. | |||||
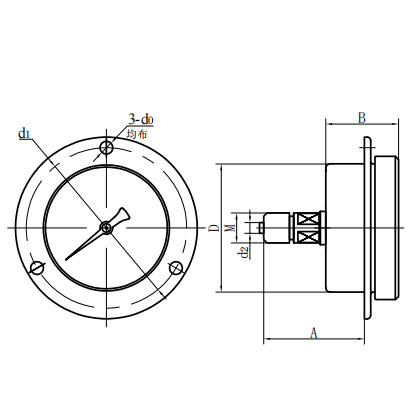
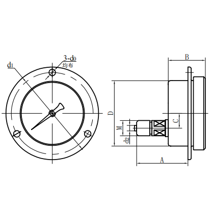
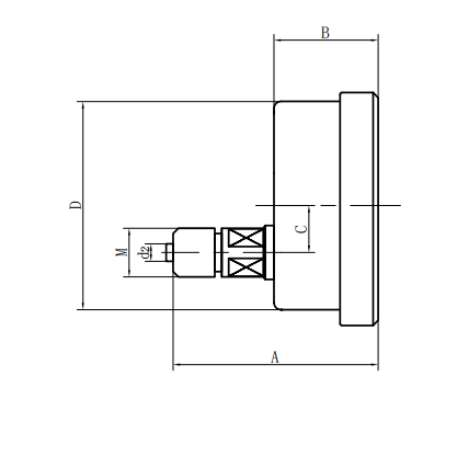
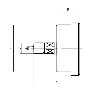
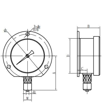
◆ Ulkoiset mitat:
| Radiaalinen suora tyyppi (ⅰ) | Aksiaalinen eksentrinen suora tyyppi (ⅱ) |
| Aksiaalinen samankeskinen suora tyyppi (III) | Aksiaalinen epäkeskoinen inserttityyppi (IV) |
| Aksiaalinen samankeskinen insertiotyyppi (v) | Radiaalinen kupera tyyppi (vi) |
| Mallinumero | Yleiset mitat ( mm ) | |||||||
| Eräs | B - | C | D -d | D0 | D1 | D2 | M | |
| YG60 -Ⅰ | 56 | 33 | 11 | Φ 60 | / | / | Φ 5 | M14 × 1.5 |
| YG60 -Ⅱ | 61 | 32.5 | 18 | Φ 60 | / | / | Φ 5 | |
| YG60 -Ⅲ | 61 | 32.5 | / | Φ 60 | / | / | Φ 5 | M14 × 1.5 |
| YG60 -Ⅳ | 55 | 32.5 | 18 | Φ 60 | Φ 5 | Φ 75 | Φ 5 | |
| YG60 -Ⅴ | 55 | 32.5 | / | Φ 60 | Φ 5 | Φ 75 | Φ 5 | M14 × 1.5 |
| YG60 -Ⅵ | 56 | 33 | 11 | Φ 60 | Φ 5 | Φ 75 | Φ 5 | M14 × 1.5 |
| YG100 -Ⅰ | 90 | 48 | 15 | Φ 100 | / | / | Φ 6 | M20 × 1.5 |
| YG100 -Ⅱ | 83 | 44 | 34 | Φ 100 | / | / | Φ 6 | M20 × 1.5 |
| YG100 -Ⅳ | 68 | 44 | 34 | Φ 100 | Φ 6 | Φ 118 | Φ 6 | M20 × 1.5 |
| YG100 -Ⅵ | 90 | 48 | 15 | Φ 100 | Φ 6 | Φ 118 | Φ 6 | M20 × 1.5 |
| YG150 -Ⅰ | 117 | 51 | 16.5 | Φ 150 | / | / | Φ 6 | M20 × 1.5 |
| YG150 -Ⅱ | 92 | 52 | 55 | Φ 150 | / | / | Φ 6 | M20 × 1.5 |
| YG150 -Ⅳ | 69 | 52 | 55 | Φ 150 | Φ 6 | Φ 165 | Φ 6 | M20 × 1.5 |
| YG150 -Ⅵ | 117 | 53 | 28 | Φ 150 | Φ 6 | Φ 165 | Φ 6 | M20 × 1.5 |
















