◆ Malli: YJY100 YJY150
◆ Käyttö: Absoluuttinen paine viittaa paineeseen, joka on suurempi kuin absoluuttinen paine nolla, jonka absoluuttinen paine nolla (absoluuttinen tyhjiö) referenssinä. Absoluuttinen painearvo voidaan ilmaista seuraavalla kaavalla:
Absoluuttinen paine -arvo = tyhjiö (negatiivinen paine) Atmosfäärinen paineaarvo
Absoluuttista painemittaria käytetään pääasiassa absoluuttisen paineen seuraamiseen tai mittaamiseen joissakin tyhjiölaitteissa (esim. Tyhjiöpakkauskoneet, laitteet tiivistymispaineen ja nesteen höyrynpaineesta jne.).
◆ Työpaine: Staattista kuormaa käytetään jopa 3/4 mittauksen yläraja-arvosta, vaihtokuormaa käytetään enintään 2/3 mittauksen yläraja-arvosta ja lyhytaikaisia painetta käytetään mittauksen yläraja-arvoon saakka.
◆ Tekniset parametrit :
| mallinumero | YJY100 | YJY150 | |
| Nimellishalkaisija | Φ 100 | Φ 150 | |
| Asennuslomake | Ⅰ | * | * |
| Ⅱ | * | * | |
| Ⅳ | * | * | |
| Ⅵ | * | * | |
| Liittimen lanka | M20 × 1.5 | ||
| Tarkkuusluokka | 0.4 ; 1.0 ; 1.6 ; 2.5 | ||
| Mittausalue ( MPA ) | 0 ~ 0,1 0 ~ 0,16 0 ~ 0,25 0 ~ 0,4 0 ~ 0,6 0 ~ 1 0 ~ 1.6 0 ~ 2,5 0 ~ 4 0 ~ 6 0 ~ 10 | ||
| Ympäristöolosuhteet | lämpötila : -40 ℃~ 70 ℃( Tarkkuusluokka : 0.4 ) -50 ℃~ 160 ℃( Tarkkuusluokka : 1.0 ~ ~ 2.5 ) suhteellinen kosteus : ≦ 80 % | ||
| värähtelyluokitus | V · H · 2 ; V · H · 3 | ||
| suojeluluokka | IP65 | ||
| Toteutusstandardit | | ||
| HUOMAUTUS: 1. yhteiset ketjut voidaan mukauttaa käyttäjän vaatimusten mukaisesti. | |||
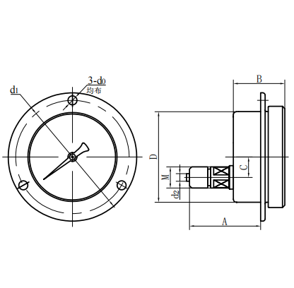
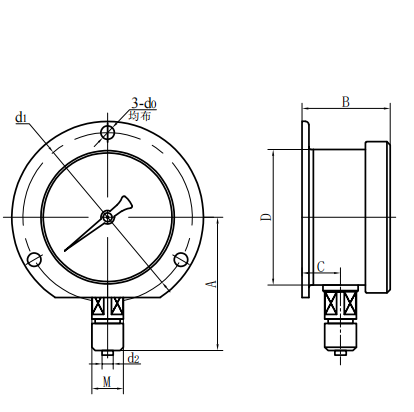
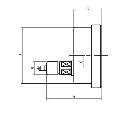
◆ Ulkoiset mitat:
|
Radiaalinen suora tyyppi (ⅰ) | Aksiaalinen eksentrinen suora tyyppi (ⅱ) |
| Aksiaalinen samankeskinen suora tyyppi (III) | Axial eccentric insert type (IV) |
| mallinumero | Yleiset mitat ( mm ) | |||||||
| Eräs | B - | C | D -d | D0 | D1 | D2 | M | |
| YJY100 -Ⅰ | 90 | 48 | 15 | Φ 100 | / | / | Φ 6 | M20 × 1.5 |
| YJY100 -Ⅱ | 83 | 44 | 34 | Φ 100 | / | / | Φ 6 | M20 × 1.5 |
| YJY100 -Ⅳ | 68 | 44 | 34 | Φ 100 | Φ 6 | Φ 118 | Φ 6 | M20 × 1.5 |
| YJY100 -Ⅵ | 90 | 48 | 15 | Φ 100 | Φ 6 | Φ 118 | Φ 6 | M20 × 1.5 |
| YJY150 -Ⅰ | 117 | 51 | 16.5 | Φ 150 | / | / | Φ 6 | M20 × 1.5 |
| YJY150 -Ⅱ | 92 | 52 | 55 | Φ 150 | / | / | Φ 6 | M20 × 1.5 |
| YJY150 -Ⅳ | 69 | 52 | 55 | Φ 150 | Φ 6 | Φ 165 | Φ 6 | M20 × 1.5 |
| YJY150 -Ⅵ | 117 | 53 | 28 | Φ 150 | Φ 6 | Φ 165 | Φ 6 | M20 × 1.5 |
























