◆ Malli : Yeb60 Yeb100 Yeb150
◆ Käyttö: Tämä instrumenttisarja sopii kaasujen alhaisen mikropaineen mittaamiseen ilman räjähdysvaaraa, ei-kiteyttämistä, ei-kondensaatioita ja joitain syövyttäviä kaasuja. Instrumentin kuori- ja paine -opasjärjestelmä on valmistettu 1CR18NI9: stä, ja kalvolaatikko on valmistettu 0CR17NI12MO2, 316, 316L.
◆ Tekniset parametrit :
| Mallinumero | Yeb60 | YEB100 | YEB150 | |
| Nimellishalkaisija | Φ 60 | Φ 100 | Φ 150 | |
| Asennustyyppi | Ⅰ | * | * | * |
| | Ⅱ | / | * | * |
| | Ⅲ | * | / | / |
| | Ⅳ | / | * | * |
| | Ⅴ | * | / | / |
| Liittimen lanka | M14 × 1.5 | M20 × 1.5 | ||
| Tarkkuusluokka | 1.6 ; 2.5 | |||
| Mittausalue ( KPA ) | -40 ~ 0 -25 ~ 0 -16 ~ 0 -10 ~ 0 -6 ~ 0 -4 ~ 0 0 ~ 4 0 ~ 6 0 ~ 10 0 ~ 16 0 ~ 25 0 ~ 40 -2 ~ 2 -3 ~ 3 -5 ~ 5 -8 ~ 8 -12 ~ 12 -20 ~ 20 | |||
| Ympäristöolosuhteet | Lämpötila : -25 ℃~ 55 ℃; Suhteellinen kosteus : ≤ 80 % | |||
| Värähtelyluokitus | V · H · 2 | |||
| Membraanilaatikko | 0CR17NI12MO2 、 SUS316 、 SUS316L | |||
| Kotelo, liitin | 1CR18NI9 、 SUS304 | |||
| Suojeluluokka | IP65 | |||
| Toteutusstandardit | JB/T 9274 | |||
| HUOMAUTUS: 1. yhteiset ketjut voidaan mukauttaa käyttäjän vaatimusten mukaisesti. | ||||
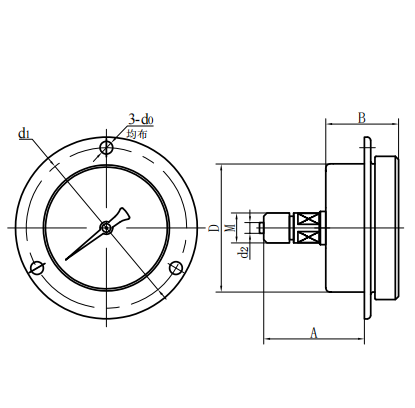
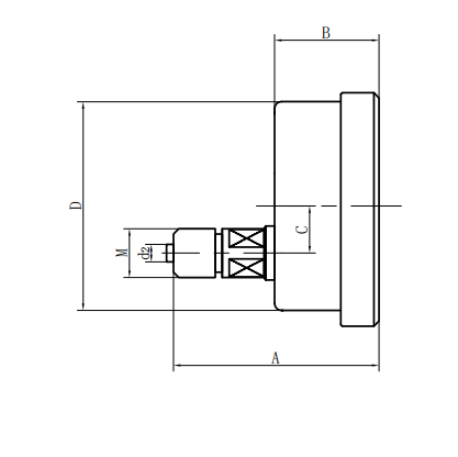
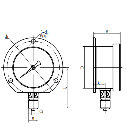
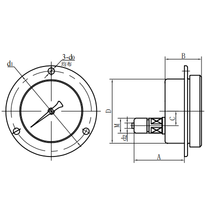
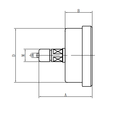
◆ Ulkoiset mitat:
| Radiaalinen suora tyyppi (ⅰ) | Aksiaalinen eksentrinen suora tyyppi (ⅱ) |
| Aksiaalinen samankeskinen suora tyyppi (III) | Aksiaalinen epäkeskoinen inserttityyppi (IV) |
| Aksiaalinen samankeskinen insertiotyyppi (v) | Radiaalinen kupera tyyppi (vi) |
| Mallinumero | Yleiset mitat ( mm ) | ||||||
| Eräs | B - | C | D -d | E | D2 | M | |
| Yeb60 -Ⅰ | 58 | 35 | 11 | φ 60 | 5 | φ 4.5 | M10 × 1 |
| Yeb60 -Ⅲ | 58 | 35 | / | φ 60 | 5 | φ 4.5 | M10 × 1 |
| | | | | | | | |
| YEB100 -Ⅰ | 93 | 50 | 16.5 | Φ 100 | 16.5 | φ 6 | M20 × 1.5 |
| YEB100 -Ⅲ | 85 | 50 | / | Φ 100 | 16.5 | φ 6 | M20 × 1.5 |
| | | | | | | | |
| YEB150 -Ⅰ | 118 | 53 | 18.5 | φ 150 | 19 | φ 6 | M20 × 1.5 |
| YEB150 -Ⅲ | 96 | 53 | / | φ 150 | 19 | φ 6 | M20 × 1.5 |
| | | | | | | | |


















