◆ Malli: YN40 YN50 YN60 YN75 YN100 YN150
◆ Käyttö: Tällä instrumenttisarjalla on hyvä iskunkestävyys, erityisesti sopivat paikkoihin, joissa ympäristökoneiden voimakkaat värähtelyt, ja se kestää väkivaltaista sykän, iskun ja keskipitkän paineen äkillisen purkamisen. Se soveltuu nesteen, kaasun tai höyryn paineen mittaamiseen, jolla ei ole räjähdysvaaraa, ei kiteytyy, ei jähmettyä eikä sillä ole syövyttävää vaikutusta kuparin ja kupariseoksen kanssa. Instrumentti osoittaa vakaat ja selkeät lukemat. Sitä käytetään laajasti raskailla koneissa, kaivostoiminnassa, öljy-, kemianteollisuudessa, metallurgiassa, sähkövoimassa ja muissa osastoissa.
◆ Eri väliaineiden erityisominaisuuksien (kuten öljykielto, palonkestävä, korroosionkestävä jne.) Erityisominaisuuksien mukaan instrumentin vaatimukset ovat erilaisia, joten tämä instrumenttisarja johtaa moniin vastaaviin erityisvälineisiin, niiden nimellishalkaisija, asennustyyppi, liitinlanka, tarkkuustaso, mittausalue jne. Ovat samat kuin seismis (shokki) paine-gauge, pääasiassa siellä olevat kaksi luokkaa:
2.1 Sopii syttyvien ja räjähtävien väliaineiden paineen mittaamiseen. On ehdottomasti kielletty koskettaa rasvaisia syttyviä aineita. Disruovanhoito tehdään ennen tehtaan poistumista ja testataan olevan rasvaa.
2.1.1 Yon-sarjan iskunkestävä (seisminen) happipainemittari
2.1.2 YHN-sarjan iskunkestävä (seisminen) vetypainemittari
2.1.3 Yyn -sarja iskunkestäviä (shokki) asetyleeninpainemittaria
2.2 Käytetyt materiaalit kestävät väliaineen korroosiolle tai instrumentilla ei ole vaikutusta väliaineeseen ja sen varmistamiseksi, että havaitsemiselementit ja rajapinnat ovat puhtaita ja rasvan vapaa.
2.2.1 Yan-sarjan iskunkestäviä (shokki) ammoniakin painemittari
2.2.2 YDQN-sarjan iskunkestäviä (sokki) typen painemittari
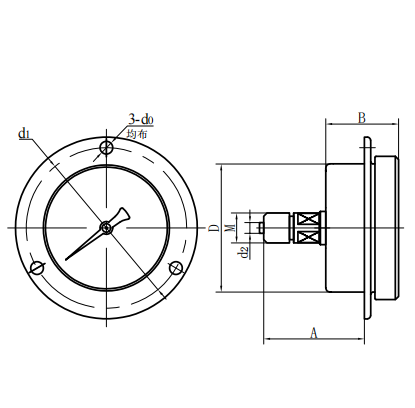
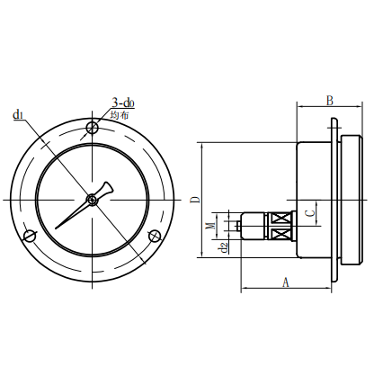
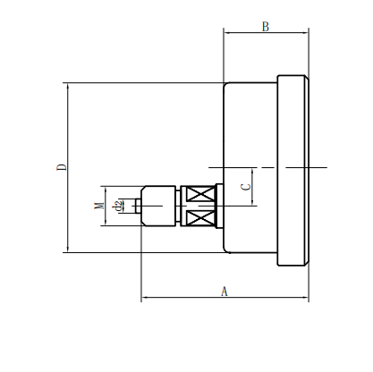
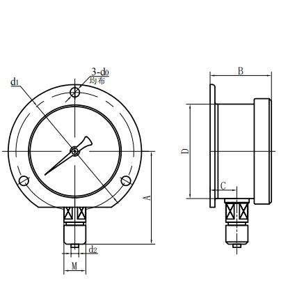
YN-sarjan iskunkestävä painemittari
Malli: 40mm (1,5 "), 50 mm (2"), 60 mm (2,5 "), 100 mm (4"), 150 mm (6 ")
Johdanto:
Soittimissarjassa on erinomainen iskunkestävyys, vakaa merkintä, selkeät lukemat, ja ne ovat erityisen sopivia käytettäväksi paikoissa, joissa on voimakkaat mekaaniset värähtelyt. Ne kestävät myös dramaattiset pulsaatiot, vaikutukset ja väliaineen äkilliset kuormitusvähennykset. Se on iskun imeytymismekanismia ja nestekäyttöinen muotoilu (tyypillisesti glyseriini ja silikoniöljy) mahdollistavat tämän painemittarin luotettavan ja tarkan paineen mittauksen varmistamiseksi jopa kompleksissa ja haitallisissa olosuhteissa. Joustavuutensa ja tarkkuuden vuoksi sitä käytetään laajasti eri toimialoilla.



















































































































