◆ Malli: YLM60 YLM100 YLM150
◆ Sovellus: Tämä instrumenttisarja on erityisiä instrumentteja matalan lämpötilan tai erityisen kylmäaineen väliaineen havaitsemiseksi, jota käytetään pääasiassa ilmastointilaitteessa, vesijäähdyttimessä, ilmakuivaimessa tai kylmäaineen metriryhmäjärjestelmän kokoamisessa.
Se voi myös tehdä erilaisia kylmäainetta monileikkauspaneeleja asiakkaiden vaatimusten mukaisesti, ja asiakkaiden valitsemiseksi on monia tyyppisiä korkkeja ja tapauksia (sveitsiläisiä tyyli).
Optimoidun liittimen suunnittelun ja hitsausmateriaalien ja paineentunnistuskomponenttien valinnassa olevien erityisten näkökohtien takia tällä tuotesarjalla on erinomaiset piirteet vuotojen vastaisesta, paineenvastaisesta pulssista ja värjäytymisestä, joten instrumentin laatu paranee huomattavasti, ja jäähdytysjärjestelmän toimintahäiriöt ja häviöt ovat eliminoituneita.
◆ Tekniset parametrit :
| Mallinumero | YLM60 | YLM100 | YLM150 | |
| Nimellishalkaisija | Φ 60 | Φ 100 | Φ 150 | |
| Asennustyyppi | Ⅰ | * | * | * |
| Ⅱ | * | * | * | |
| Ⅲ | * | / | / | |
| Ⅳ | * | * | * | |
| Ⅴ | * | / | / | |
| Ⅵ | * | * | * | |
| Liittimen lanka | M14 × 1.5 | M20 × 1.5 | ||
| Tarkkuusluokka | 2.5 | 1.6 | ||
| Mittausalue ( MPA ) | Matala jännite : (- 30 ~ ~ ~ 0 …… 15 ) kg , 1,8MPA ahdistava:( 0 ~ 35 ) kg , 3,8MPA | |||
| Mediatyyppinen eritelmä | R134a 、 R22A 、 R404A 、 R407a | |||
| Ympäristöolosuhteet | lämpötila : -20 ℃~ 60 ℃; Suhteellinen kosteus : ≤ 80 % | |||
| värähtelyluokitus | V · H · 3 | |||
| suojeluluokka | IP54 | |||
| Toteutusstandardit | GB/T 1226 | |||
| HUOMAUTUS: 1. yhteiset ketjut voidaan mukauttaa käyttäjän vaatimusten mukaisesti. | ||||
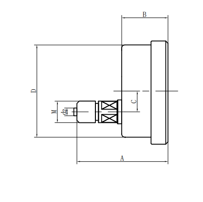
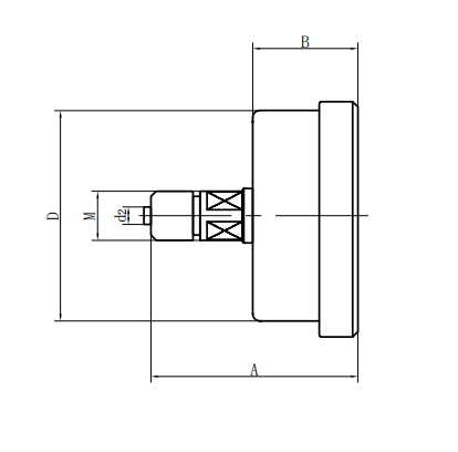
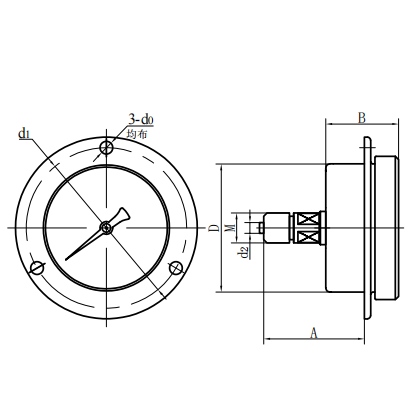
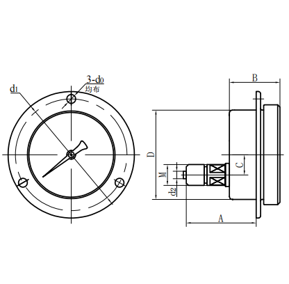
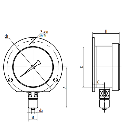
◆ Ulkoiset mitat:
| Radiaalinen suora tyyppi (ⅰ) | Aksiaalinen eksentrinen suora tyyppi (ⅱ) |
| Aksiaalinen samankeskinen suora tyyppi (III) | Aksiaalinen epäkeskoinen inserttityyppi (IV) |
| Aksiaalinen samankeskinen insertiotyyppi (v) | Radiaalinen kupera tyyppi (vi) |
| Mallinumero | Yleiset mitat ( mm ) | |||||||
| Eräs | B - | C | D -d | D0 | D1 | D2 | M | |
| YLM60 -Ⅰ | 56 | 33 | 11 | Φ 60 | / | / | Φ 5 | M14 × 1.5 |
| YLM60 -Ⅱ | 61 | 32.5 | 18 | Φ 60 | / | / | | |
| YLM60 -Ⅲ | 61 | 32.5 | / | Φ 60 | / | / | Φ 5 | M14 × 1.5 |
| YLM60 -Ⅳ | 55 | 32.5 | 18 | Φ 60 | Φ 5 | Φ 75 | | |
| YLM60 -Ⅴ | 55 | 32.5 | / | Φ 60 | Φ 5 | Φ 75 | Φ 5 | M14 × 1.5 |
| YLM60 -Ⅵ | 56 | 33 | 11 | Φ 60 | Φ 5 | Φ 75 | Φ 5 | M14 × 1.5 |
| YLM100 -Ⅰ | 90 | 48 | 15 | Φ 100 | / | / | Φ 6 | M20 × 1.5 |
| YLM100 -Ⅱ | 83 | 44 | 34 | Φ 100 | / | / | Φ 6 | M20 × 1.5 |
| YLM100 -Ⅳ | 68 | 44 | 34 | Φ 100 | Φ 6 | Φ 118 | Φ 6 | M20 × 1.5 |
| YLM100 -Ⅵ | 90 | 48 | 15 | Φ 100 | Φ 6 | Φ 118 | Φ 6 | M20 × 1.5 |
| YLM150 -Ⅰ | 117 | 51 | 16.5 | Φ 150 | / | / | Φ 6 | M20 × 1.5 |
| YLM150 -Ⅱ | 92 | 52 | 55 | Φ 150 | / | / | Φ 6 | M20 × 1.5 |
| YLM150 -Ⅳ | 69 | 52 | 55 | Φ 150 | Φ 6 | Φ 165 | Φ 6 | M20 × 1.5 |
| YLM150 -Ⅵ | 117 | 53 | 28 | Φ 150 | Φ 6 | Φ 165 | Φ 6 | M20 × 1.5 |


















