◆ Malli: YC40 YC50 YC60 YC75 YC100 YC150
◆ Käyttö: Tämä instrumenttisarja soveltuu nesteen, kaasun, höyryn ja muiden nestemäisten väliaineiden paineen mittaamiseen ilman räjähdysvaaraa, kiteytymistä tai jähmettymistä alusten ja siihen liittyvien laitteiden kanssa.
Tällä instrumenttisarjalla on valoisaa tyyppiä, valitsimen pääasteikolla ja osoitin etuosassa on päällystetty aktiivisella tai passiivisella pysyvällä valoaineella, joten painearvo voidaan lukea selvästi pimeässä.
Tämän instrumenttisarjan kuori on täysin suljettu ja sillä on tietty vastus meriveden korroosiolle, mikä suojaa instrumentin sisäisiä komponentteja vaurioilta ja korroosioilta aaltojen ja meriveden avulla.
Tämä instrumenttisarja voidaan myös täyttää vähäkykyyden vaimennusöljyllä kuoressa, ja kyky vastustaa työympäristön värähtelyä, jonka aiheuttavat meren huonon sää ja keskipitkän paineen pulsaatio.
Tätä instrumenttisarjaa käytetään pääasiassa offshore -merenkulku-, offshore -öljy- ja kaasukenttiä, offshore -porausalustoja, merenpohjan kaivostoimintaa, sisävesi- ja muita toimialoja.
◆ Tekniset parametrit :
| Mallinumero | YLM60 | YLM100 | YLM150 | |
| Nimellishalkaisija | Φ 60 | Φ 100 | Φ 150 | |
| Asennustyyppi | Ⅰ | * | * | * |
| Ⅱ | * | * | * | |
| Ⅲ | * | / | / | |
| Ⅳ | * | * | * | |
| Ⅴ | * | / | / | |
| Ⅵ | * | * | * | |
| Liittimen lanka | M14 × 1.5 | M20 × 1.5 | ||
| Tarkkuusluokka | 2.5 | 1.6 | ||
| Mittausalue ( MPA ) | Vapaa : -0.1 ~ 0 Paine tyhjiö : -0.1 ~ 0,06 -0,1 ~ 0,15 -0,1 ~ 0.3 -0.1 ~ 0,5 -0,1 ~ 0,9 -0,1 ~ 1,5 -0,1 ~ 2.4 Paine: 0 ~ 0,1 0 ~ 0,16 0 ~ 0,25 0 ~ 0,4 0 ~ 0.6 0 ~ 1 0 ~ 1,6 0 ~ 2,5 0 ~ 4 0 ~ 6 0 ~ 10 0 ~ 16 0 ~ 25 0 ~ 40 0 ~ 60 0 ~ 100 、 0 ~ 160 、 0 ~ 250 |
| Ympäristöolosuhteet | lämpötila : -40 ℃~ 70 ℃ |
| värähtelyluokitus | Normaali tyyppi : V · H · 3 ; Seismistyyppi (nestemäinen tyyppi) : V · H · 4 |
| Borden -putkimateriaali | QSN4-0.3 、 OCR18NI12MO2TI |
| Tapaus- ja liitinmateriaali | 1CR18NI9TI ; SUS304 |
| suojeluluokka | IP65 |
| Toteutusstandardit | GB/T 1226 ; JB/T 6804 |
| HUOMAUTUS: 1. yhteiset ketjut voidaan mukauttaa käyttäjän vaatimusten mukaisesti. | |
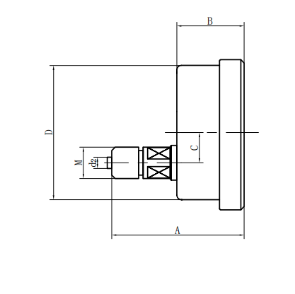
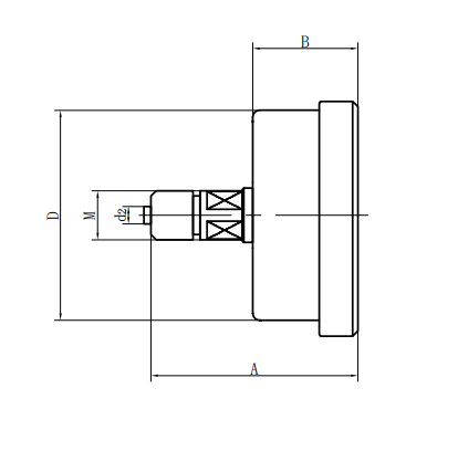
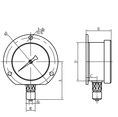
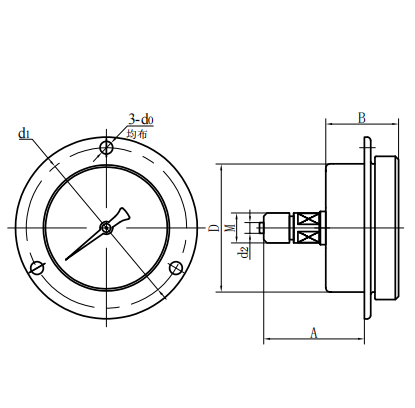
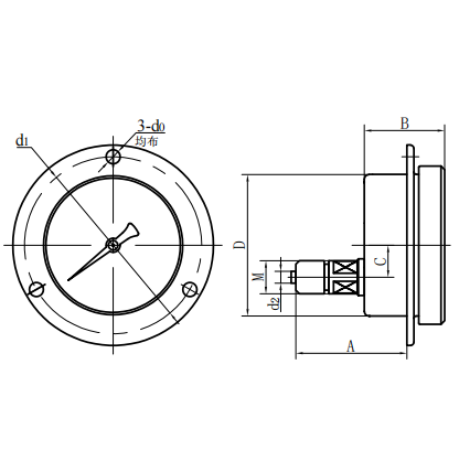
◆ Ulkoiset mitat:
| Radiaalinen suora tyyppi (ⅰ) | Aksiaalinen eksentrinen suora tyyppi (ⅱ) |
| Aksiaalinen samankeskinen suora tyyppi (III) | Aksiaalinen epäkeskoinen inserttityyppi (IV) |
| Aksiaalinen samankeskinen insertiotyyppi (v) | Radiaalinen kupera tyyppi (vi) |
| mallinumero | Yleiset mitat (mm) | |||||||
| Eräs | B - | C | D -d | D0 | D1 | D2 | M | |
| YC60- Ⅰ | 56 | 33 | 11 | Φ 60 | / | / | Φ 5 | M14 × 1.5 |
| YC60- Ⅱ | 61 | 32.5 | 18 | Φ 60 | / | / | Φ 5 | |
| YC60- Ⅲ | 61 | 32.5 | / | Φ 60 | / | / | Φ 5 | M14 × 1.5 |
| YC60- Ⅳ | 55 | 32.5 | 18 | Φ 60 | Φ 5 | Φ 75 | Φ 5 | |
| YC60- Ⅴ | 55 | 32.5 | / | Φ 60 | Φ 5 | Φ 75 | Φ 5 | M14 × 1.5 |
| YC60- Ⅵ | 56 | 33 | 11 | Φ 60 | Φ 5 | Φ 75 | Φ 5 | M14 × 1.5 |
| YC100- Ⅰ | 90 | 48 | 15 | Φ 100 | / | / | Φ 6 | M20 × 1.5 |
| YC100- Ⅱ | 83 | 44 | 34 | Φ 100 | / | / | Φ 6 | M20 × 1.5 |
| YC100- Ⅳ | 68 | 44 | 34 | Φ 100 | Φ 6 | Φ 118 | Φ 6 | M20 × 1.5 |
| YC100- Ⅵ | 90 | 48 | 15 | Φ 100 | Φ 6 | Φ 118 | Φ 6 | M20 × 1.5 |
| YC150- Ⅰ | 117 | 51 | 16.5 | Φ 150 | / | / | Φ 6 | M20 × 1.5 |
| YC150- Ⅱ | 92 | 52 | 55 | Φ 150 | / | / | Φ 6 | M20 × 1.5 |
| YC150- Ⅳ | 69 | 52 | 55 | Φ 150 | Φ 6 | Φ 165 | Φ 6 | M20 × 1.5 |
| YC150- Ⅵ | 117 | 53 | 28 | Φ 150 | Φ 6 | Φ 165 | Φ 6 | M20 × 1.5 |


















